全国统一服务热线
400-610-6025
首 页
华体会在线
公司概况
证书荣誉
组织结构
业务范围
业绩案例
工艺材料
行业动态
资料下载
华体会(中国)
当前位置:
首页
>
图集
>
火灾事故加固案例
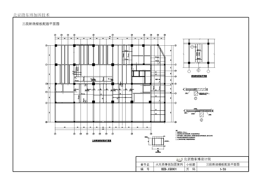
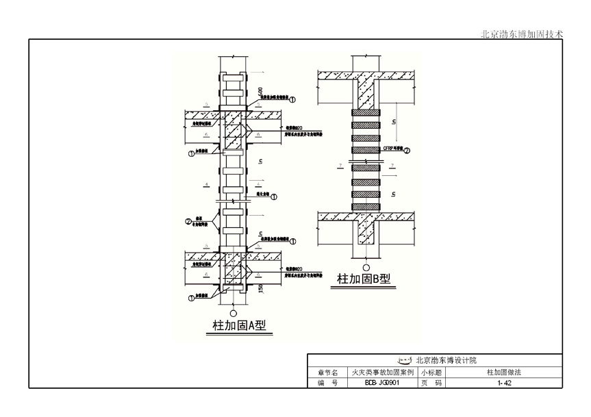
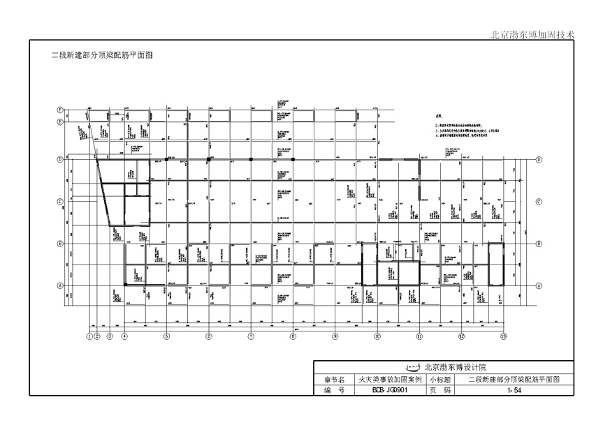
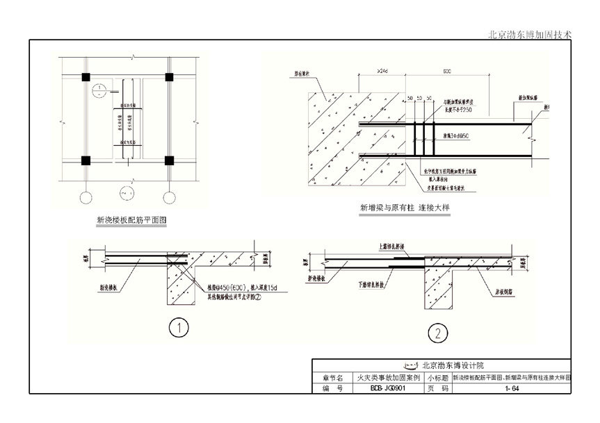
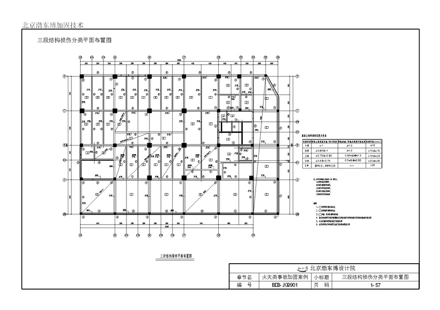
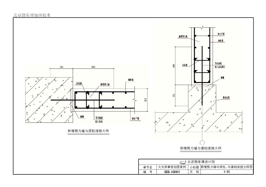
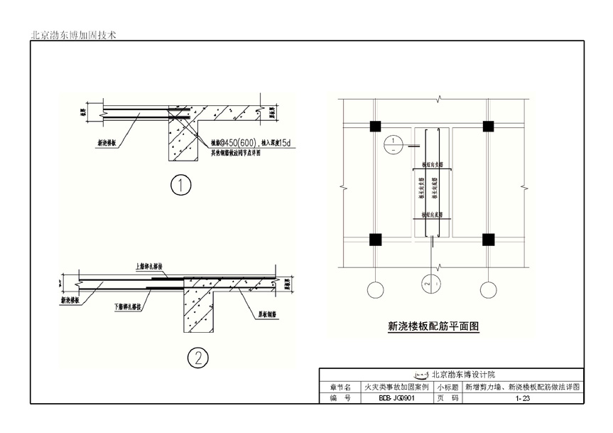
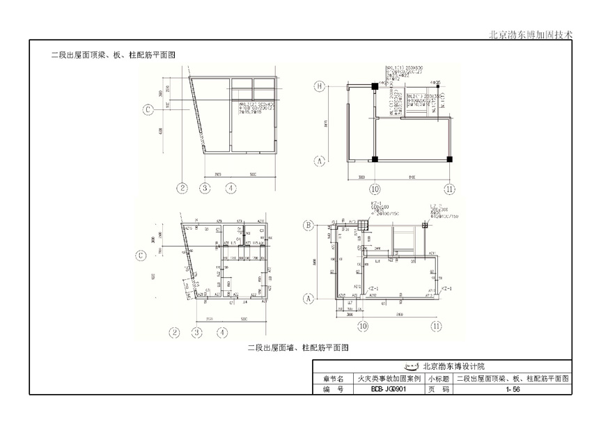
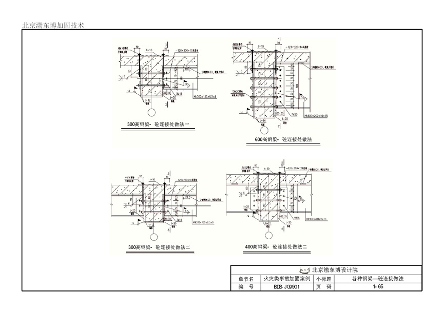
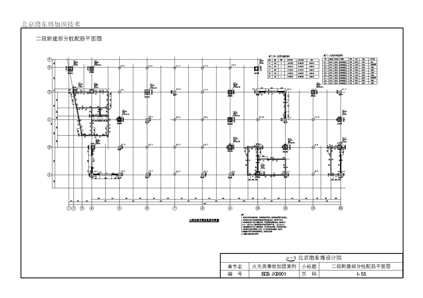
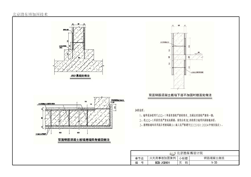
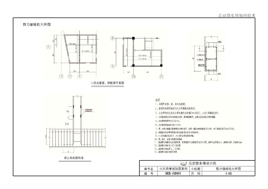
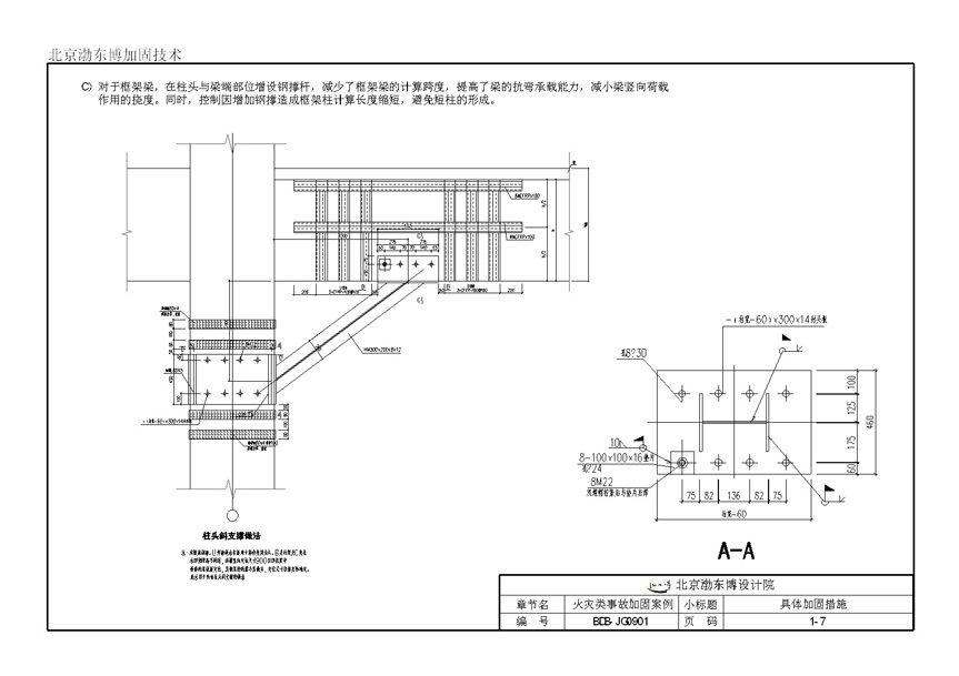
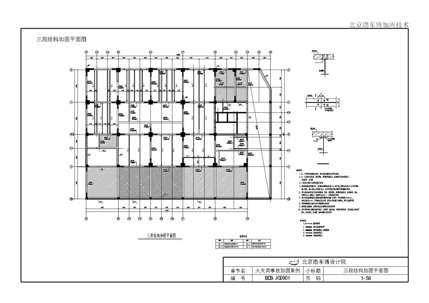
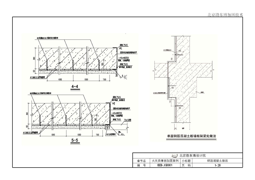
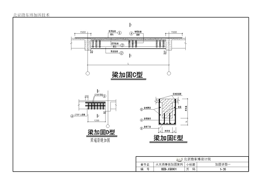
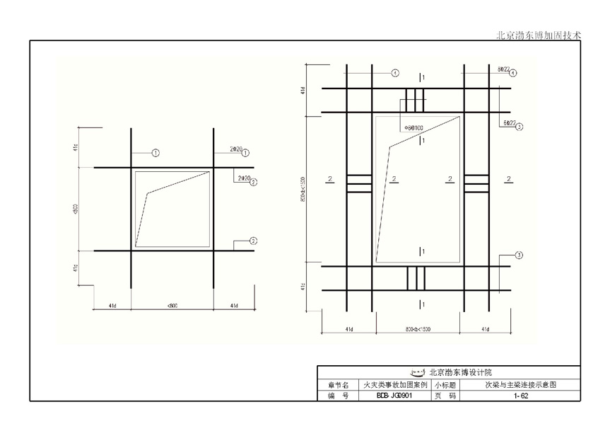
火灾事故加固案例
版权所有:华体会在线
邮箱:jiagu@bodongbo.com
传真:010-64403408
电话:400-610-6025 800-810-6025 010-64403428
地址:北京市朝阳区北苑东路19号院2号楼1206室(中国铁建广场C座)
京ICP备2022035419号-1
米兰app官方官网
|
开云足球
|
【九游网】
|
九游·官方版web站入口
|
九游在线官网_九游(中国)
|
MK官方网页版
|
九游官方网页版_九游(中国)
|
开云手机站官网
|
九游(NINE GAME)体育·官方网站
|